Two friends and I designed turn signal lights that can be attached to a standard bicycle to solve a safety problem. We used a 555 timer.
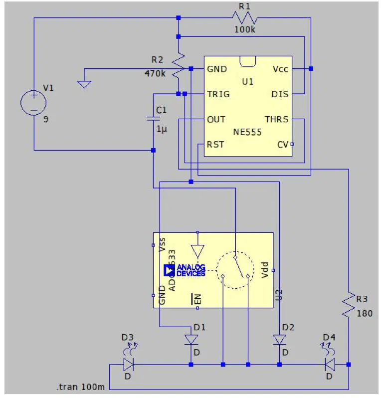
This is an LTspice schematic we designed for simulation purposes.
This is a prototype build on a solder board.
August 4, 2019
Two friends and I designed turn signal lights that can be attached to a standard bicycle to solve a safety problem. We used a 555 timer.
This is an LTspice schematic we designed for simulation purposes.
This is a prototype build on a solder board.